WGJ-BN sú určené na zhromažďovanie, skladovanie a prenos prebytočnej teplej vody alebo iného vykurovacieho média. Fungujú v systémoch s tepelnými čerpadlami, kotlami na pelety, kotlami na biomasu, kotlami na splyňovanie dreva a inými zdrojmi tepla schválenými pre kontakt s uhlíkovou oceľou. Chránia systémy ústredného vykurovania tým, že absorbujú rozdiel medzi tepelným výkonom kotla a výkonom odovzdávaným do vykurovacieho systému.
WGJ-BN zabezpečujú optimálnu prevádzku vykurovacieho systému, čo zlepšuje energetickú účinnosť. Používanie vyrovnávacích nádrží má pozitívny vplyv na životnosť zdroja tepla. Maximálny prevádzkový tlak nádrže je 0,3 MPa.
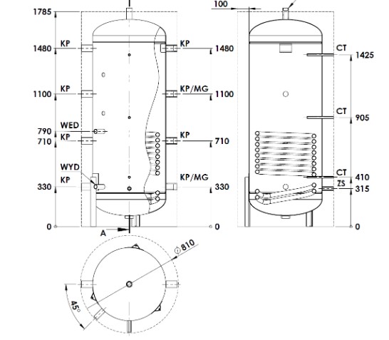
Vyrovnávacie nádrže sú vyrobené z čierneho oceľového plechu. Vyrovnávacie nádrže sú tepelne izolované 10 cm vrstvou odnímateľnej polystyrénovej peny. Tepelná izolácia je chránená laminátovým plášťom.
| Typ | WGJ-BN 700 | WGJ-BN 800 | WGJ-BN 1000 | ||
| Úložná kapacita | dm³ | 710 | 830 | 902 | |
| Pripojenie | KP | vnut. 1½" | vnut. 1½" | vnut. 1½" | |
| Elektrický ohrievač | MG | vnut. 1½" | vnut. 1½" | vnut.1½" | |
| Puzdro teplotného senzora | CT | 3/8" | 3/8" | 3/8" | |
| Spúšťač | ZS | vnut. ¾" | vnut. ¾" | vnut. ¾" | |
| Straty v pohotovostnom režime* | W | 62 | 71 | 76 | |
| Typ nádrže | oceľ - zvnútra surová, zvonku pokrytá antikoróznou farbou | ||||
| Tepelná izolácia | 100 mm polystyrénová pena | ||||
| Vonkajší kryt | laminát | ||||
| Prevádzkové parametre nádrže | maximálny prevádzkový tlak a teplota pr = 0,3 MPa; tr = 80 °C | ||||
| Hmotnosť | kg | približne 143 | približne 160 | približne 180 | |
EAN: 5903538228586
Katalogové čislo: 069-10-001/BN